RTS为反应趋势现况系统(Reaction Trend System)。本系统为Wells Wilder(DMI指标创始者)所创立,主要是借用波动幅度来判断多空力量,进而计算出系统交易时采取顺势策略(Trend Mode)或逆势策略(Reaction Mode)的参考依据。
1、运用(H+L+C)/3当作一天多空决战的终结点,并利用此点来定义出多空力量,再根据此力量来推算逆势策略或顺势策略的判断及买卖依据。
2、作者根据自己主观的观察,发现价格移动常有“3天上涨2天下跌”的模式,因此设计出哪天该执行买进策略、哪天该执行卖出策略、哪天只执行出场策略、哪天应执行逐势交易等的决策参考交易系统。
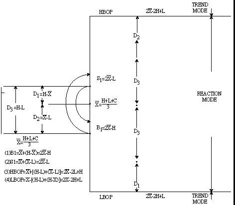
X=(H+L+C)/3
以此点代表一天多空决战后的最后平衡点。
D1=H-X
高点至平衡点的距离,代表空头的力量、意愿或战果。
D2=X-L
平衡点至低点的距离,代表多头的力量、意愿或战果。
D3=H-L
高低点的距离,代表多空双方该日的战场。
B1=X-D1=2X-H
以平衡点为起点,往下推一个该日空头的力量(D1),则假设卖方意愿将会衰竭,是为买方进场的参考点。
S1=X+D2=2X-L
以平衡点为起点,往上进展一个该日多头的力量(D2),则假设买方意愿将会衰竭,是为卖方进场的参考点。
HBOP=X+(D3+D2)=2X-2L+H (High Break Out Point)
以平衡点为起点,往上推一个该日战场规模(D3),再加上一个该日多头力量(D2),若能超过此点则表示多头意愿极高,应采取逐势做多交易模式。
LBOP=X-(D3+D1)=2X-2H+L
以平衡点为起点,往下推一个该日战场规模(D3),再加上一个该日空头力量(D1),若能跌破此点则表示空头意愿极高,应采取逐势放空交易模式。
整理上述观念如下图:

本系统特殊的地方在于交易日的标示,依据不同交易日标示而采取不同的量化交易策略。
取最近一至二周内的最低点标示为『B』,第二根标示为『O』,第三根标示为『S』,然后又回到B、O、S、B、O、S......直至最后一根。如图:


若价格涨破HBOP或跌破LBOP时应重新修正标示内容,修正原则如下:04本交易系统使用方法:
1、在『B』日于B1点买进,停损设于LBOP。
2、在『S』日于S1点卖出,停损设于HBOP。
1、有做多未平仓部位时:
A、在『O』日于S1点平仓。
B、如果在『S』日没有碰触S1点时于收盘价出场。
C、于『B』日进场后除非跌破LBOP,否则碰触任何点都不出场。若跌破LBOP则应出场并反向进行放空逐势交易。
2、有做空未平仓部位时:
A、如果在『B』日没有碰触B1点时于收盘价出场。
B、于『S』日进场后除非涨破HBOP,否则碰触任何点都不出场。若涨破HBOP则应出场并反向进行做多逐势交易。
1、有做多未平仓部位时:
A、在『S』日碰触S1点时。
B、任何一天碰触LBOP时。
2、有做空未平仓部位时:
A、在『B』日碰触B1点时。
B、任何一天碰触HBOP时。
1、在任何一天涨破HBOP时买进。
2、在任何一天跌破LBOP时卖出。
1、有多仓时以最近两日的低价当出场参考,逐日依两日原则向上移动停损价直至出场,出场后不反向进场。
2、有空仓时以最近两日的高价当出场参考,逐日依两日原则向下移动停损价直至出场,出场后不反向进场。如图(图中第10天就碰到交易日标示的重新调整设定):

结论
1、本量化交易系统是利用波幅来观察多空的力道,并借以计算出进出场参考点,每日计算出的数值均于下一交易日参考使用。
2、任何市场的价格都是随机波动的,至目前为止应该没有任何工具可以百分百计算市场的支撑压力区,因此系统交易在使用时仍应注意严守交易停损纪律。
相关推荐:
[ 文章 ] 如何形成趋势交易系统?